Web Analytics
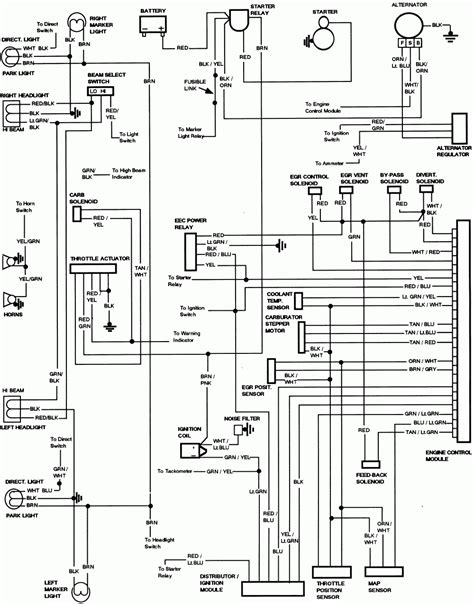
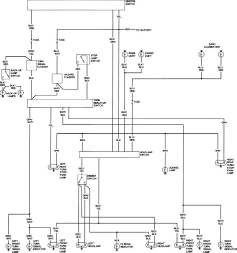
2017 f250 tail light wiring diagram

2017 f250 tail light wiring diagram

2017 f250 tail light wiring diagram 2017 f250 tail light wiring diagram